Specifikace výrobku

Číselníkový úchylkoměr bez upínacího oka (0-50/0,01mm) - SOMET, 251811, DIN 878, 60 B /52050410KS/

Kód: 426400054
Kategorie: Měřidla » 3 » Číselníkové indikátory » Číselníkové indikátory - 251811 ø60mm
Základní cena: 2045,00 CZK bez DPH
 2474,45 CZK s DPH
objednat ks:
dotaz na produkt
Měřicí rozsah0-50 mm
Numerický krok0,01 mm
Poznámka
Popis
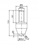
• Otočný číselník
• Přestavitelné tolerační značky
• Výměnné doteky se závitem M 2,5
• Měřidla se dodávají v plastovém pouzdře a s příslušenstvím podle typu
• Dovolené chyby dle technických podmínek společnosti pro číselníkové indikátory a dělením 0,01, 0,001 a 0,005 mm
• Přesnos dle DIN 878

Přílohy:

251811_60_Somet_katalog.pdf